Wilden AODD Double Diaphragm Pump - 13 mm (1/2 in.) - Pro-Flo Clamped Plastic - P1

13 mm (1/2") Accu-Flo™ Clamped Plastic AODD Pump A1

AIR INLET
  • 1/4" FNPT
LIQUID INLET
  • 13 mm (1/2")
LIQUID DISCHARGE
  • 13 mm (1/2")
CONNECTION TYPE
  • NPT/BSPT (Threaded)
MAX SUCTION LIFT CAPABILITY
  • Rubber – 6.05 m (20') Dry, 8.99 m (29') Wet
  • PTFE – 5.18 m (17') Dry, 8.99 m (29') Wet
MAX FLOW RATE
  • Rubber – 39 lpm (10.3 gpm)
  • PTFE – 39 lpm (10.3 gpm)
MAX PRESSURE
  • 8.6 bar (125 psi)
MAX DIAMETER SOLIDS
  • 1.6 mm (1/16'')
DISPLACEMENT PER STROKE *
  • Rubber – 0.12 L (0.031 gal)
  • PTFE – 0.11 L (0.028 gal)
  • * 1 cycle = 2 strokes
  • icon_cert-CE

Features and Benefits

Accu-Flo™ Series Air-Operated Double-Diaphragm (AODD) Pumps give you the critical external pump control necessary for exacting applications such as batching. Featuring a direct electrical interface that utilizes electrical impulses to stroke the pump instead of differential pressure, the Accu-Flo Series provides a variable stroke rate that you can easily control as needed. To meet your applications, Accu-Flo Series pumps are available as NEMA 5-compliant and come in a variety of voltage options.
  • Integrated electronic (solenoid) control
  • Multiple signal input voltage options: 24V DC, 12V DC and 110V AC
  • Proven, robust clamped construction

Performance and Specifications

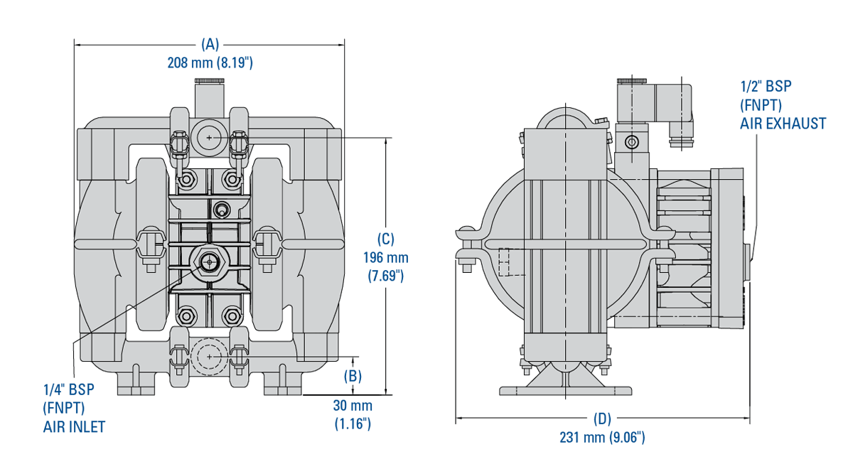
Dimensions

Dim_A1_13mm.5inAccu-Flo_CPP

Note: Dimensions vary by material and connection. For additional information, please refer to the A1 Plastic Manual.

Flow Curve – Rubber-Fitted

flo-a1p-plastic-rubber-fitted

Note: Additional performance curves can be found in the A1 Plastic Manual.

AIR INLET
  • 1/4" FNPT
LIQUID INLET
  • 13 mm (1/2")
LIQUID DISCHARGE
  • 13 mm (1/2")
CONNECTION TYPE
  • NPT/BSPT (Threaded)
MAX FLOW RATE
  • Rubber – 39 lpm (10.3 gpm)
  • PTFE – 39 lpm (10.3 gpm)
MAX PRESSURE
  • 8.6 bar (125 psi)
MAX DIAMETER SOLIDS
  • 1.6 mm (1/16'')
MAX SUCTION LIFT CAPABILITY
  • Rubber – 6.05 m (20') Dry, 8.99 m (29') Wet
  • PTFE – 5.18 m (17') Dry, 8.99 m (29') Wet
DISPLACEMENT PER STROKE *
  • Rubber – 0.12 L (0.031 gal)
  • PTFE – 0.11 L (0.028 gal)
  • * 1 cycle = 2 strokes

Wetted Housings 

Material Ship Weight
Polypropylene 4.1 kg (9 lb)
PVDF 5.1 kg (11 lb)

Non-Wetted Housings

Description Material
Center Section Polypropylene
Air Valve Polypropylene

Elastomer Options

Material Temperature Limits
Buna-N -12°C to 82°C (10°F to 180°F)
FKM -40°C to 177°C (-40°F to 350°F)
Neoprene  -18°C to 93°C (0°F to 200°F)
PTFE* 4°C to 104°C (40°F to 220°F)
Polyurethane
-12°C to 66°C (10°F to 150°F)
Saniflex™
-29°C to 104°C (-20°F to 220°F)
Wil-Flex™ -40°C to 107°C (-40°F to 225°F)

* 4°C to 149°C (40°F to 300°F) - 13 mm (1/2") and 25 mm (1") models only